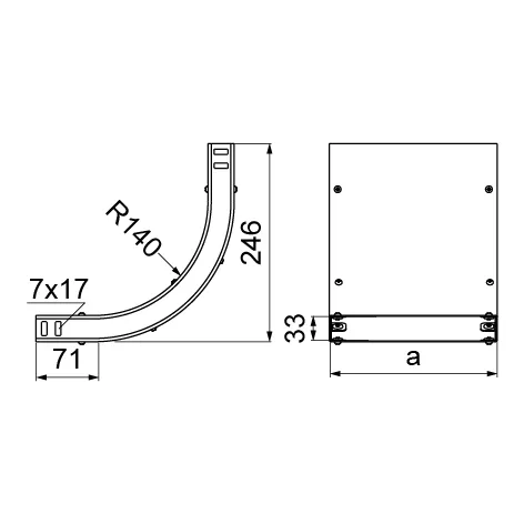
Поворот 90° LUPNJ200H30 (136349)

Виробник: BAKS
Артикул: LUPNJ200H30
Ціна за дзвінком

Спрямована прокладка кабелю.

Матеріал

S - оцинкована сталь мет. Sendzimir PN-EN 10346:2015-09
Для замовлення:
F - оцинкована сталь PN-EN ISO 1461:2023-02
L - лакована в стандартній палітрі RAL

Додаткова інформація

– збірка за допомогою гвинтів SGKM6x12 або SGM6x12
– може використовуватися як зовнішня або внутрішня арка

- можливість вставки лотка з кришкою

Примітка
Вбудовані з'єднувачі. Збірка без додаткових з'єднувачів.
.

Характеристики товару

Назва атрибуту Значення атрибуту
Системи кабельних трас
Типи елементів поворот
Висота борта H30
Товщина листа 1.0 мм
Властивості матеріалу S - оцинкована сталь за методом Сендзіміра
Вага 1шт [кг] 1.19
Кількість [шт] 1
Розмір a внутрішній [мм] 203