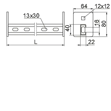
Поперечина кабельросту SSH500 (404150) Виробник: BAKS Артикул: SSH500 Ціна за дзвінком Кількість: Замовити Індивідуальний список бажань ОК Додати до списку бажань Додати до списку порівняння Повідомити друга Для самостійного монтажу в драбинах DSH... Сходинки, придатні для монтажу затискачів UK/UKO... та UKP... для фіксації електричних кабелів. Матеріал F - гарячеоцинкована сталь PN-EN ISO 1461:2023-02 Доступні варіанти оздоблення: L - фарбування у стандартний колір RAL Додаткова інформація – кріплення – 2 комплекти болтів SGFM10×30 Характеристики товару Назва атрибуту Значення атрибуту Системи кабельних трас Типи елементів поперечина Властивості матеріалу F - гарячеоцинкована сталь, L - фарбування в стандартний колір RAL Монтаж Для важких навантажень Вага 1шт [кг] 1.11 Кількість [шт] 10 Довжина L [мм] 453 mm
Для самостійного монтажу в драбинах DSH... Сходинки, придатні для монтажу затискачів UK/UKO... та UKP... для фіксації електричних кабелів. Матеріал F - гарячеоцинкована сталь PN-EN ISO 1461:2023-02 Доступні варіанти оздоблення: L - фарбування у стандартний колір RAL Додаткова інформація – кріплення – 2 комплекти болтів SGFM10×30