Редуктор лівий RDLC500/400H60N (468150)

Виробник: BAKS
Артикул: RDLC500/400H60N
Ціна за дзвінком

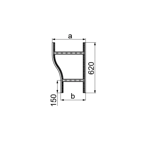
Зміна ширини кабельної траси.

Матеріал

S - Сталь, оцинкована методом Сендзіміра PN-EN 10346:2015-09

Доступні варіанти оздоблення:

F - гарячеоцинкована сталь PN-EN ISO 1461:2023-02

E - нержавіюча сталь

L - фарбування у стандартний колір RAL

Додаткова інформація

– використовуйте 4 болти LDPH60 або LDC/LDOCH60 та 16 комплектів болтів SGKM8x14 або SGM8x14 для кріплення

– для нестандартних замовлень вказуйте розміри a та b

Характеристики товару

Назва атрибуту Значення атрибуту
Характеристики стандартів
Вогнестійкість Вогнестійкий E-90
Системи кабельних трас
Типи елементів редуктор
Висота борта H60
Ширина кабельної траси 500, 400
Товщина листа 2.0 мм
Властивості матеріалу S - оцинкована сталь за методом Сендзіміра, F - гарячеоцинкована сталь, E - нержавіюча сталь, L - фарбування в стандартний колір RAL
Вага 1шт [кг] 2.78
Кількість [шт] 2
Ширина a [мм] 500
Ширина b [мм] 400