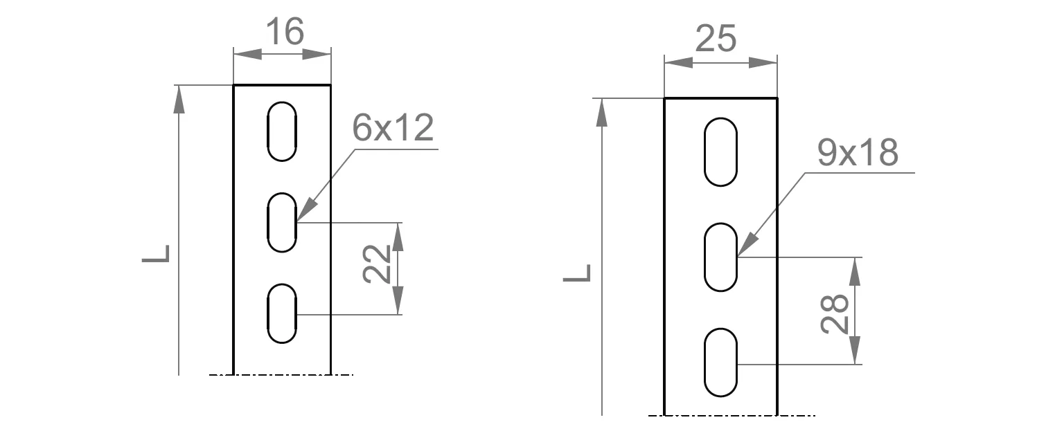
Смуга перфорована сталева PLP16/2 (640220) Виробник: BAKS Артикул: PLP16/2 Ціна за дзвінком Кількість: Замовити Індивідуальний список бажань ОК Додати до списку бажань Додати до списку порівняння Повідомити друга Підвішування монтажних компонентів, виготовлення різних видів затискачів. Матеріал S - Сталь, оцинкована методом Сендзіміра PN-EN 10346:2015-09 Доступні варіанти оздоблення: E - нержавіюча сталь L - фарбування у стандартний колір RAL Характеристики товару Назва атрибуту Значення атрибуту Системи кабельних трас Типи елементів смуга Товщина листа 1.5 мм Властивості матеріалу S - оцинкована сталь за методом Сендзіміра, E - нержавіюча сталь, L - фарбування в стандартний колір RAL Вага 1м [кг] 0.17 kg Кількість у коробці [шт/м] 25 / 50 pcs. / m. Довжина L [мм] 2 000 mm Ширина a [мм] 16 F макс. [кН] 1
Підвішування монтажних компонентів, виготовлення різних видів затискачів. Матеріал S - Сталь, оцинкована методом Сендзіміра PN-EN 10346:2015-09 Доступні варіанти оздоблення: E - нержавіюча сталь L - фарбування у стандартний колір RAL