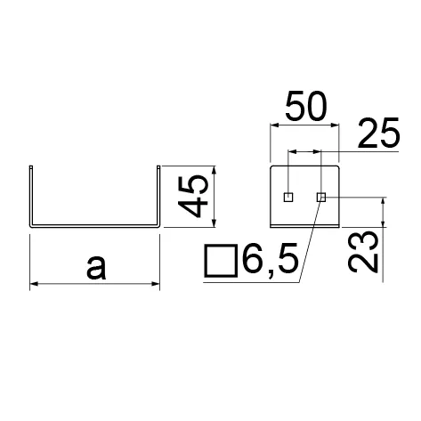
З'єднувач кабельного лотка LKMC600H50 (810560) Виробник: BAKS Артикул: LKMC600H50 Ціна за дзвінком Кількість: Замовити Індивідуальний список бажань ОК Додати до списку бажань Додати до списку порівняння Повідомити друга З'єднання лотків та фітингів. Матеріал S - Сталь, оцинкована методом Сендзіміра PN-EN 10346:2015-09 Доступні варіанти оздоблення: F - гарячеоцинкована сталь PN-EN ISO 1461:2023-02 E - нержавіюча сталь Додаткова інформація – використовуйте болти SGKM6x14 для кріплення з лотками Характеристики товару Назва атрибуту Значення атрибуту Системи кабельних трас Типи елементів з'єднувач Висота борта H50 Товщина листа 2.0 мм Властивості матеріалу S - оцинкована сталь за методом Сендзіміра, F - гарячеоцинкована сталь, E - нержавіюча сталь Вага 1шт [кг] 14.75 Кількість [шт] 2 Ширина a [мм] 595
З'єднання лотків та фітингів. Матеріал S - Сталь, оцинкована методом Сендзіміра PN-EN 10346:2015-09 Доступні варіанти оздоблення: F - гарячеоцинкована сталь PN-EN ISO 1461:2023-02 E - нержавіюча сталь Додаткова інформація – використовуйте болти SGKM6x14 для кріплення з лотками